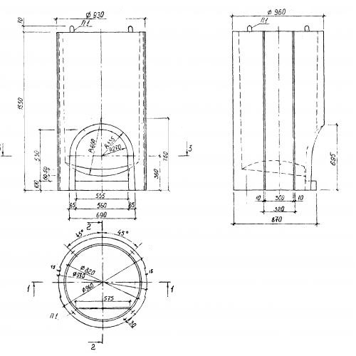
ВД 8 рабочие камеры водосточных колодцев
Характеристики изделия:
| Параметр | Значение |
|---|---|
| длина | 960 мм |
| ширина | 960 мм |
| высота | 1550 мм |
| масса | 950 кг |
| нормативный документ | Альбом РК 2201-82 |
Цена:
Рассчитать стоимостьВД 8 Рабочие камеры дождеприемных колодцев Альбом РК 2201-82.
