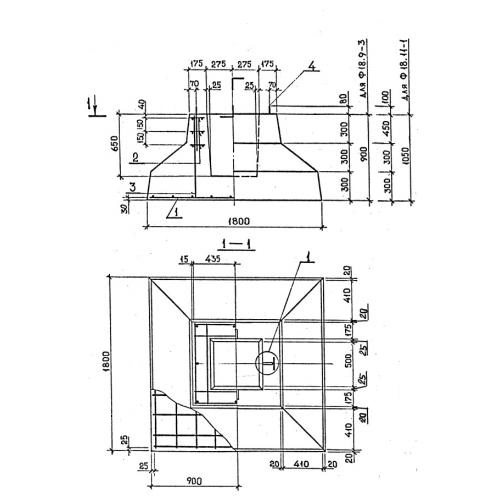
2Ф 18.9 фундаменты под колонны
Характеристики изделия:
| Параметр | Значение |
|---|---|
| длина | 1800 мм |
| ширина | 1800 мм |
| высота | 900 мм |
| масса | 4000 кг |
| нормативный документ | ГОСТ 24476-80 |
Цена:
Рассчитать стоимость2Ф 18.9 Фундаменты сборные для колонн ГОСТ 24476-80.
| Параметр | Значение |
|---|---|
| длина | 1800 мм |
| ширина | 1800 мм |
| высота | 900 мм |
| масса | 4000 кг |
| нормативный документ | ГОСТ 24476-80 |
2Ф 18.9 Фундаменты сборные для колонн ГОСТ 24476-80.
