ПАГ 18 А800-1
| Параметр | Значение |
|---|---|
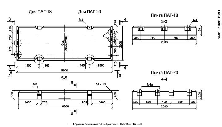
| длина | 6000 мм |
| ширина | 2000 мм |
| высота | 180 мм |
| масса | 5400 кг |
| нормативный документ | ГОСТ 25912-2015 |
Стандарт изготовления изделия: ГОСТ 25912-2015
Плиты аэродромных покрытий ПАГ 18 А800-1 используются для строительства взлетно-посадочных полос и мест стоянки самолетов. Покрытие в таких местах испытывает большие нагрузки, а срок службы его должен составлять многие годы.
Плиты обозначают марками, состоящими из буквенно-цифровых групп, разделенных дефисом. Первая группа содержит сокращенное буквенное наименование плиты — ПАГ (плита аэродромная гладкая).
Во второй группе приводят толщину плиты в сантиметрах и характеристику напрягаемой продольной арматуры:
А600 — для арматурной стали классов А600, АтбОО, АтбООС и А600С;
А800 — для арматурной стали классов Ат800 и А800;
К7 — для арматурных канатов типов К7 и К7Т с временным сопротивлением не менее 1770 Н/мм2.
В третьей группе приводят: - индекс «.1» — в случае применения 10 напрягаемых стержней в плитах ПАГ; - индекс не ставится в случае применения 12 напрягаемых стержней в плитах: ПАГ-14, ПАГ-18 и 14 напрягаемых стержней в плите ПАГ-20.
В четвертой группе приводят: - цифровой индекс, обозначающий диаметр применяемых напрягаемых стержней (канатов), количество которых определяется конструкцией плит, например: - индекс «-1» — в случае применения предварительно напрягаемой арматуры D12 мм; - индекс «-2» — в случае применения предварительно напрягаемой арматуры D16 мм; - индекс не приводят при применении предварительно напрягаемой арматуры D14 мм.