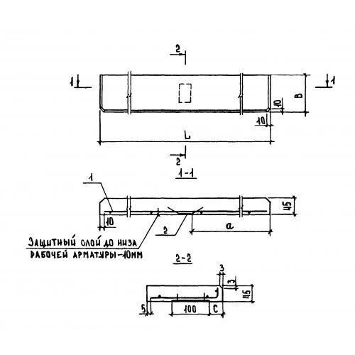
ПОГ 19.35 плиты подоконные
Характеристики изделия:
| Параметр | Значение |
|---|---|
| длина | 1900 мм |
| ширина | 350 мм |
| высота | 45 мм |
| масса | 45 кг |
| нормативный документ | ГОСТ 26919-86 |
Цена:
Рассчитать стоимостьПОГ 19.35 Плиты подоконные, обладают глянцевой наружностью, изготавливаются на основе белого либо цветного цемента, ГОСТ 26919-86.
