САМ 12
Характеристики изделия:
| Параметр | Значение |
|---|---|
| длина | 160 мм |
| ширина | 533 мм |
| высота | 533 мм |
| масса | 25 кг |
| нормативный документ | ГОСТ 31416-2009 |
Цена:
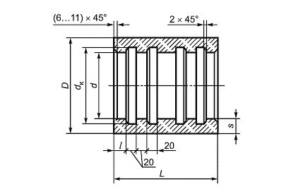
Рассчитать стоимостьСАМ 12 Асбоцементные муфты для напорных трубопроводов ГОСТ 31416-2009.
| Параметр | Значение |
|---|---|
| длина | 160 мм |
| ширина | 533 мм |
| высота | 533 мм |
| масса | 25 кг |
| нормативный документ | ГОСТ 31416-2009 |
САМ 12 Асбоцементные муфты для напорных трубопроводов ГОСТ 31416-2009.