ТМ 16
Характеристики изделия:
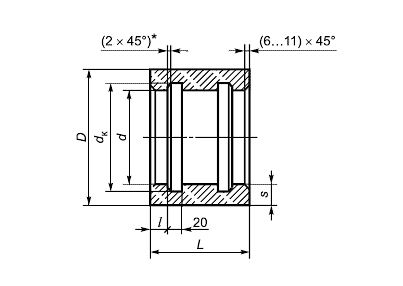
| Параметр | Значение |
|---|---|
| длина | 180 мм |
| ширина | 302 мм |
| высота | 302 мм |
| масса | 12,4 кг |
| нормативный документ | ГОСТ 31416-2009 |
Цена:
Рассчитать стоимостьТМ 16 Муфты хризотилцементные для напорных теплопроводов ГОСТ 31416-2009.
| Параметр | Значение |
|---|---|
| длина | 180 мм |
| ширина | 302 мм |
| высота | 302 мм |
| масса | 12,4 кг |
| нормативный документ | ГОСТ 31416-2009 |
ТМ 16 Муфты хризотилцементные для напорных теплопроводов ГОСТ 31416-2009.