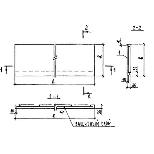
1ЛН 17.2 проступи накладные
Характеристики изделия:
| Параметр | Значение |
|---|---|
| длина | 1650 мм |
| ширина | 220 мм |
| высота | 35 мм |
| масса | 33 кг |
| нормативный документ | ГОСТ 9818-85 |
Цена:
Рассчитать стоимость1ЛН 17.2 Накладные проступи для укладки на нижние и рядовые ступени маршей ГОСТ 9818-85.
