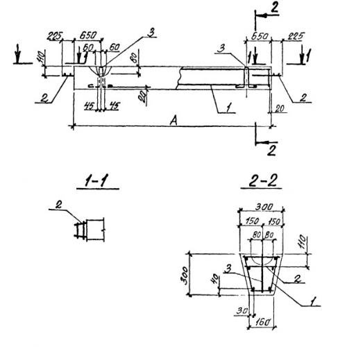
БФ 3
Характеристики изделия:
| Параметр | Значение |
|---|---|
| длина | 4950 мм |
| ширина | 300 мм |
| высота | 300 мм |
| вес | 850 кг |
| серия | 0-221-84 |
Цена:
Рассчитать стоимостьБФ3 Балки фундаментные по серии 0-221-84.
| Параметр | Значение |
|---|---|
| длина | 4950 мм |
| ширина | 300 мм |
| высота | 300 мм |
| вес | 850 кг |
| серия | 0-221-84 |
БФ3 Балки фундаментные по серии 0-221-84.
