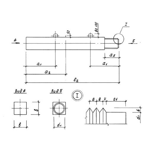
С 100.40-вс сваи составные верхние
Характеристики изделия:
| Параметр | Значение |
|---|---|
| длина | 10000 мм |
| ширина | 400 мм |
| высота | 400 мм |
| масса | 3950 кг |
| нормативный документ | Серия 1.011.1-10 |
Цена:
Рассчитать стоимостьС 100.40-вс Сваи составные верхние Серия 1.011.1-10.
