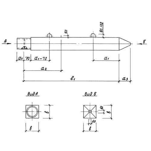
С 14-40

Чертеж изделия:
Характеристики изделия:
ПараметрЗначение
длина14000 мм
ширина400 мм
высота400 мм
масса5600 кг
нормативный документСерия 1.011.1-7

С 14-40  Сваи составные Серия 1.011.1-7.