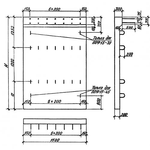
ППФ 15-81

Чертеж изделия:
Характеристики изделия:
ПараметрЗначение
длина1500 мм
ширина300 мм
высота8100 мм
вес6200 кг
серия1.012.1-3.97

ППФ 15-81 Плиты фундаментные плоские по серии 1.012.1-3.97.