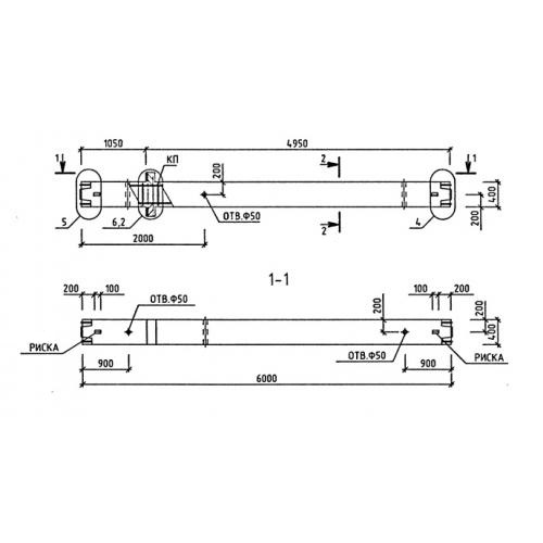
1КС 60 колонны

Чертеж изделия:
Характеристики изделия:
ПараметрЗначение
длина6000 мм
ширина400 мм
высота400 мм
масса2400 кг
нормативный документСерия 1.020-1/87

1КС 60  Колонны средние Серия 1.020-1/87.