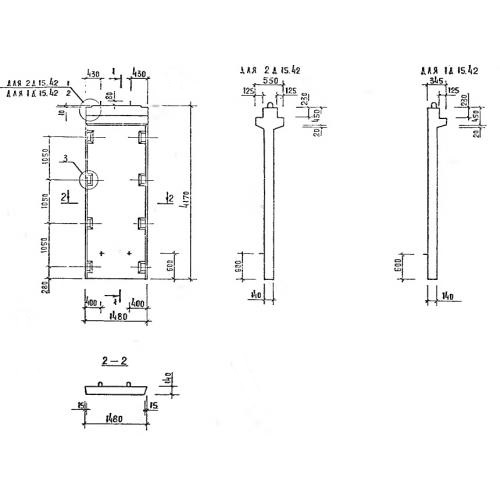
2Д 15.42 диафрагмы жесткости
Характеристики изделия:
| Параметр | Значение |
|---|---|
| длина | 1480 мм |
| ширина | 550 мм |
| высота | 4170 мм |
| масса | 2650 кг |
| нормативный документ | Серия 1.020-1/87 |
Цена:
Рассчитать стоимость2Д 15.42 Диафрагмы жесткости с двумя полками Серия 1.020-1/87.
