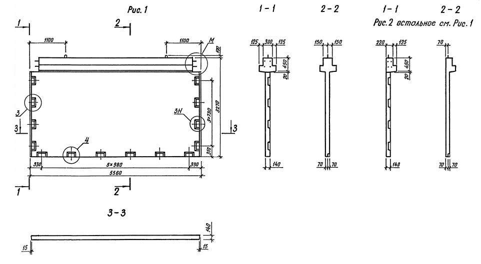
1Д 56.33
Характеристики изделия:
| Параметр | Значение |
|---|---|
| длина | 5560 мм |
| ширина | 345 мм |
| высота | 3270 мм |
| масса | 7400 кг |
| нормативный документ | Серия 1.020.1-3пв |
Цена:
Рассчитать стоимость1Д 56.33 Диафрагмы жесткости с одной полкой Серия 1.020.1-3пв.
| Параметр | Значение |
|---|---|
| длина | 5560 мм |
| ширина | 345 мм |
| высота | 3270 мм |
| масса | 7400 кг |
| нормативный документ | Серия 1.020.1-3пв |
1Д 56.33 Диафрагмы жесткости с одной полкой Серия 1.020.1-3пв.