3КБО 4.36(48)

Чертеж изделия:
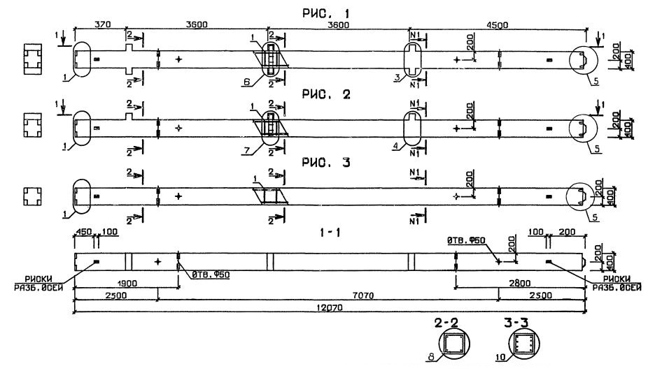
Характеристики изделия:
ПараметрЗначение
длина12070 мм
ширина400 мм
высота550 мм
масса53330 кг
нормативный документСерия 1.020.1-3пв

3КБО 4.36(48)  Колонны бесстыковые одноконсольные Серия 1.020.1-3пв.