4КО 3.33(42)

Чертеж изделия:
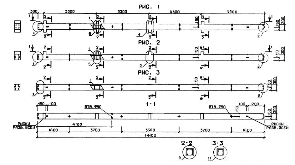
Характеристики изделия:
ПараметрЗначение
длина14100 мм
ширина300 мм
высота450 мм
масса3410 кг
нормативный документСерия 1.020.1-3пв

4КО 3.33(42)  Колонны одноконсольные Серия 1.020.1-3пв.