ПСЦ 36.31.35

Чертеж изделия:
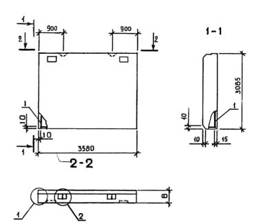
Характеристики изделия:
ПараметрЗначение
длина3580 мм
ширина3085 мм
высота350 мм
масса5130 кг
нормативный документСерия 1.020.1-3пв

ПСЦ 36.31.35  Панели стеновые цокольные Серия 1.020.1-3пв.