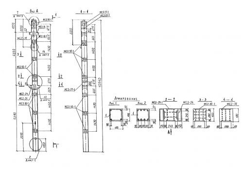
2КН 42-2 РПС 2-3
Характеристики изделия:
| Параметр | Значение |
|---|---|
| длина | 10540 мм |
| ширина | 400 мм |
| высота | 400 мм |
| масса | 4300 кг |
| нормативный документ | Серия 1.022 КЛ-2 |
Цена:
Рассчитать стоимость2КН 42-2 РПС 2-3 Двухэтажные колонны стыковые нижнего яруса (Серия 1.022 КЛ-2).
