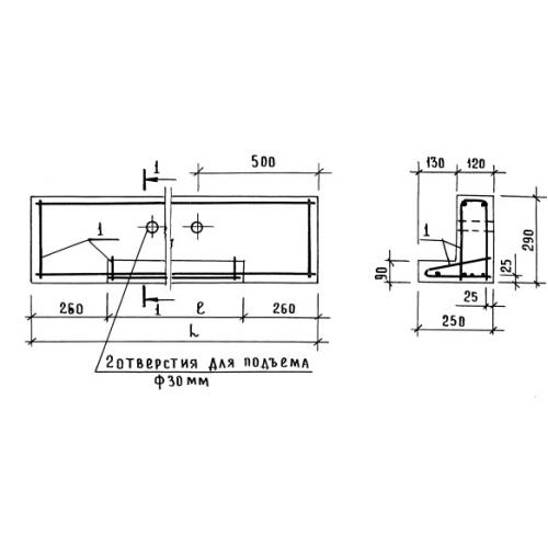
7ПФ 43 перемычки фасадные

Чертеж изделия:
Характеристики изделия:
ПараметрЗначение
длина4280 мм
ширина250 мм
высота290 мм
масса483 кг
нормативный документСерия 1.038.1-1

7ПФ 43  Перемычки фасадные Серия 1.038.1-1.