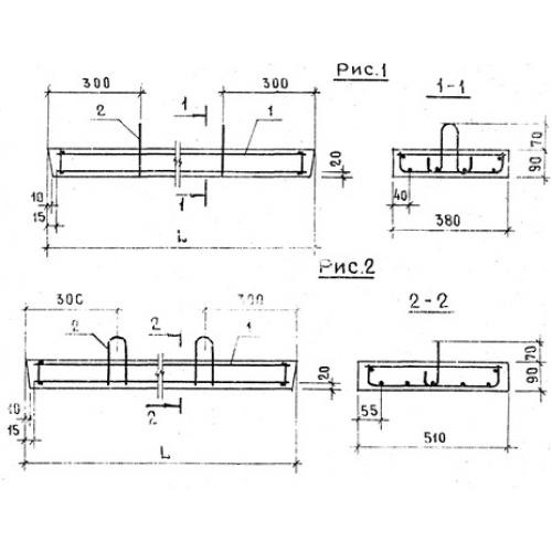
9ПП 17 перемычки плитные

Чертеж изделия:
Характеристики изделия:
ПараметрЗначение
длина1680 мм
ширина510 мм
высота90 мм
масса193 кг
нормативный документСерия 1.038.1-1

9ПП 17  Железобетонные перемычки плитного типа Серия 1.038.1-1.