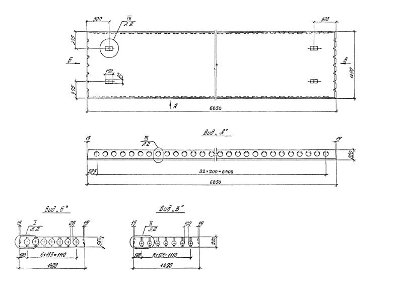
ПК 68.15 плиты рядовые
Характеристики изделия:
| Параметр | Значение |
|---|---|
| длина | 6850 мм |
| ширина | 1490 мм |
| высота | 220 мм |
| масса | 3200 кг |
| нормативный документ | Серия 1.041.1-3 |
Цена:
Рассчитать стоимостьПК 68.15 Плиты рядовые Серия 1.041.1-3.
| Параметр | Значение |
|---|---|
| длина | 6850 мм |
| ширина | 1490 мм |
| высота | 220 мм |
| масса | 3200 кг |
| нормативный документ | Серия 1.041.1-3 |
ПК 68.15 Плиты рядовые Серия 1.041.1-3.