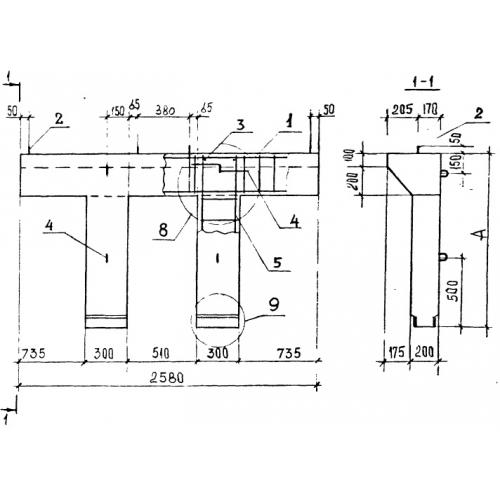
ЛР 16

Чертеж изделия:
Характеристики изделия:
ПараметрЗначение
длина2580 мм
ширина1560 мм
высота375 мм
вес980 кг
серия1.050.1-3

ЛР 16 лестничные рамы по серии 1.050.1-3.