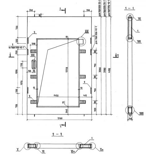
ПШЛ 50-33

Чертеж изделия:
Характеристики изделия:
ПараметрЗначение
длина2160 мм
ширина140 мм
высота3280 мм
вес1320 мм
серия1.089.1-2

ПШЛ 50-33 Панель шахты для пассажирского лифта по серии 1.089.1-2.