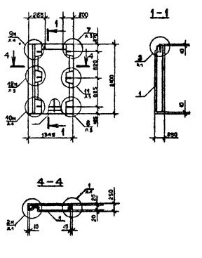
2ПСЦ 14.21.2,5-П-С

Чертеж изделия:
Характеристики изделия:
ПараметрЗначение
длина1345 мм
ширина250 мм
высота2100 мм
масса620 кг
нормативный документСерия 1.090.1-2с

Панели наружных стен нулевого цикла однослойные (Серия 1.090.1-2с).

2ПСЦ 14.21.2,5-П-С Панели цокольные .

2-расположение вертикальных торцев панели (зеркальность),

П- бетон на пористых заполнителях,

С- для строительства в сейсмических районах.