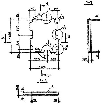
ПВЦ 16.19-1Т-С
Характеристики изделия:
| Параметр | Значение |
|---|---|
| длина | 1620 мм |
| ширина | 160 мм |
| высота | 1865 мм |
| масса | 1090 кг |
| нормативный документ | Серия 1.090.1-2с |
Цена:
Рассчитать стоимостьПВЦ 16.19-1Т-С Панели внутренние нулевого цикла (цокольные) Серия 1.090.1-2с.
1Т - бетон тяжелый марки М150.
С - для сейсмических районов.