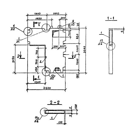
ПВГ 28.30.13-1ТВ-С
Характеристики изделия:
| Параметр | Значение |
|---|---|
| длина | 2820 мм |
| ширина | 160 мм |
| высота | 3040 мм |
| масса | 2020 кг |
| нормативный документ | Серия 1.090.1-2с |
Цена:
Рассчитать стоимостьПВГ 28.30.13-1ТВ-С Панели внутренние Г-образные (Серия 1.090.1-2с).
1ТВ - бетон тяжелый марки М250, панель с вентиляционным отверстием.
С - для сейсмических районов.