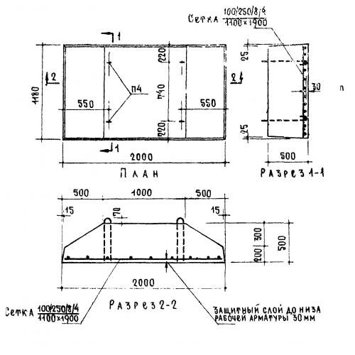
Ф 20

Чертеж изделия:
Характеристики изделия:
ПараметрЗначение
длина1180 мм
ширина2000 мм
высота500 мм
вес2440 кг
серия1.112-1

Ф 20 Плиты ленточных фундаментов по серии 1.112-1.