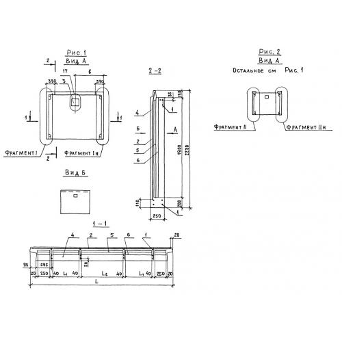
3НЦ 33.22.25

Чертеж изделия:
Характеристики изделия:
ПараметрЗначение
длина3290 мм
ширина250 мм
высота2230 мм
вес3270 кг
серия1.117.1-14

3НЦ 33.22.25 Стеновые цокольные панели по серии   1.117.1-14.