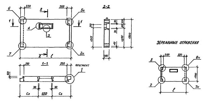
1НЦ35.19.31-150ЛПВ-1,3-1
Характеристики изделия:
| Параметр | Значение |
|---|---|
| длина | 3505 мм |
| ширина | 310 мм |
| высота | 1900 мм |
| масса | 3130 кг |
| нормативный документ | Серия 1.117.1-15пв |
Цена:
Рассчитать стоимостьСерия 1.117.1-15пв Панели цельные однослойные для цокольного этажа.
1НЦ35.19.31-150ЛПВ-1,3-1
1НЦ - цельная однослойная стеновая панель;
Габариты изделия (записаны через точку) - длина, высота, толщина;
150 - марка бетона по прочности на сжатие;
Л - производится из легкого бетона; ПВ - для сложных условий строительства;
Цифровой индекс (1,1; 1,4; 1,5; 1,6; 3,1) - вид примыкания к другим строительным конструкциям.
1 - конкретная марка изделия определяется наличием проема.