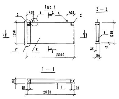
1ПСВ 28-13-16-1т-1

Чертеж изделия:
Характеристики изделия:
ПараметрЗначение
длина2800 мм
ширина160 мм
высота1250 мм
масса1400 кг
нормативный документСерия 1.131.1-25

Серия 1.131.1-25

Маркировка:

1. 1 – группа панелей;

2. ПСВ – (буквенное обозначение панели) Панель стеновая внутренняя;

3. 28  длина (в дм);

4. 13  высота (в дм);

5. 16  толщина (в см);

6.  несущая способность;

7. т  бетон тяжелый;

8.  тип проема.