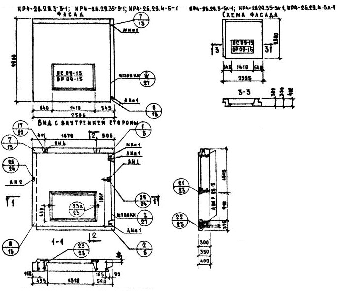
НР4-26.29.4-5л-1
Характеристики изделия:
| Параметр | Значение |
|---|---|
| Длина | 2595 мм |
| Ширина | 400 мм |
| Высота | 2900 мм |
| Масса | 3380 кг |
| Нормативный документ | Серия 1.132-1 |
Цена:
Рассчитать стоимостьНР4-26.29.4-5л-1 Наружная стеновая панель рядовая по Серии 1.132-1.
| Параметр | Значение |
|---|---|
| Длина | 2595 мм |
| Ширина | 400 мм |
| Высота | 2900 мм |
| Масса | 3380 кг |
| Нормативный документ | Серия 1.132-1 |
НР4-26.29.4-5л-1 Наружная стеновая панель рядовая по Серии 1.132-1.