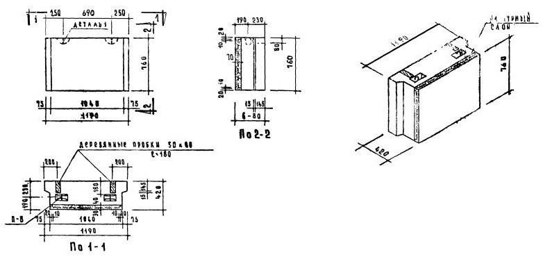
НБО-12.8.4
Характеристики изделия:
| Параметр | Значение |
|---|---|
| Длина | 1190 мм |
| Ширина | 420 мм |
| Высота | 760 мм |
| Масса | 680 кг |
| Нормативный документ | Серия 1.133-1 |
Цена:
Рассчитать стоимостьСтеновые легкобетонные блоки толщиной 50 см по Серии 1.133-1.
НБО-12.8.4 Подоконный блок.