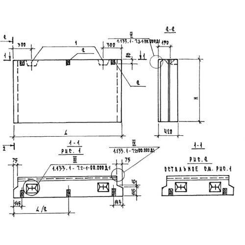
2БН 24.8.50

Чертеж изделия:
Характеристики изделия:
ПараметрЗначение
длина2390 мм
ширина420 мм
высота760 мм
вес840 мм
серия1.133.1-7

2БН 24.8.50 Блоки подоконные по серии 1.133.1-7.