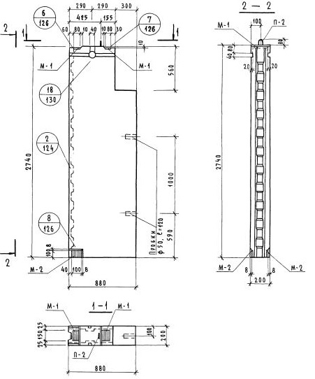
СБВ-9.2.28т-2
Характеристики изделия:
| Параметр | Значение |
|---|---|
| Длина | 880 мм |
| Ширина | 200 мм |
| Высота | 2740 мм |
| Масса | 1125 кг |
| Нормативный документ | Серия 1.134-1 |
Цена:
Рассчитать стоимостьБлоки внутренних стен по Серии 1.134-1.
СБВ-9.2.28т-2 Стеновой блок внутренний.