ОЛ 42.10.8

Чертеж изделия:
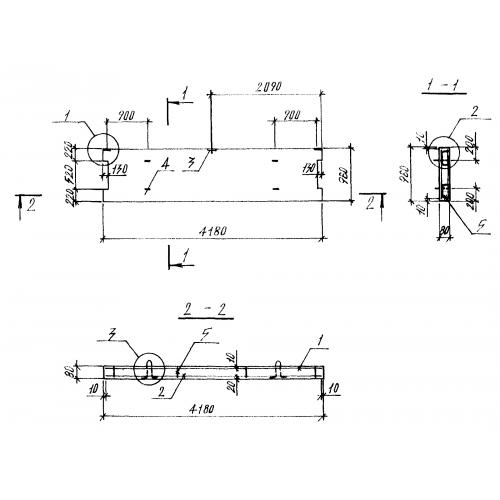
Характеристики изделия:
ПараметрЗначение
длина4180 мм
ширина960 мм
высота80 мм
масса800 кг
нормативный документСерия 1.137.1 КЛ-3

ОЛ 42.10.8  Панели ограждения лоджий Серия 1.137.1 КЛ-3.