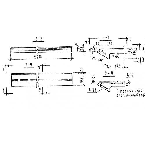
ЛСН 22 ступени лестничные

Чертеж изделия:
Характеристики изделия:
ПараметрЗначение
длина2200 мм
ширина290 мм
высота124 мм
масса125 кг
нормативный документСерия 1.155-1

ЛСН 22  Лестничные ступени  нижние фризовые Серия 1.155-1.