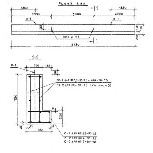
НП 90-7.5
Характеристики изделия:
| Параметр | Значение |
|---|---|
| длина | 8980 мм |
| ширина | 380 мм |
| высота | 750 мм |
| вес | 4850 кг |
| серия | 1.225-1 |
Цена:
Рассчитать стоимостьНП 90-4.5 Прогоны по серии 1.225-1.
| Параметр | Значение |
|---|---|
| длина | 8980 мм |
| ширина | 380 мм |
| высота | 750 мм |
| вес | 4850 кг |
| серия | 1.225-1 |
НП 90-4.5 Прогоны по серии 1.225-1.
