ПССУ 6.33.4,0-п
| Параметр | Значение |
|---|---|
| Длина | 615 мм |
| Ширина | 400 мм |
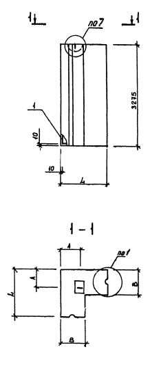
| Высота | 3275 мм |
| Масса | 1320 кг |
| Нормативный документ | Серия 1.232.1-8 |
Стандарт изготовления изделия: Серия 1.232.1-8
Панель однослойная самонесущая ПССУ 6.33.4,0-п (1.232.1-8) представляет собой прочную прямоугольную конструкцию, выполненную из легкобетонной смеси и стального внутреннего каркаса. Наружная поверхность строительного элемента обладает эстетичным декоративным слоем. Вертикальные грани наружного слоя запроектированы из условия устройства стыков, заделываемых герметиками. На нижней горизонтальной грани предусмотрена декомпрессионная полость. Можно создавать парапет при постройке крупнопанельных зданий промышленных предприятий с высотой этажа 3,3 метра.
Маркировка
1. ПССУ - панель стеновая самонесущая парапетная для наружного угла;
2. 6 - длина в дециметрах;
3. 33 - высота в дециметрах;
4. 4,0 - толщина в дециметрах;
5. п - используется бетонная смесь на пористых заполнителях.