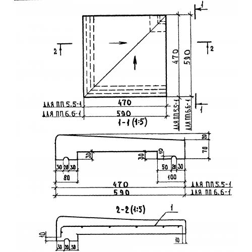
ПП 5.5

Чертеж изделия:
Характеристики изделия:
ПараметрЗначение
длина470 мм
ширина470 мм
высота90 мм
масса33 кг
нормативный документСерия 1.238-1

ПП 5.5  Плиты парапетные Серия 1.238-1.