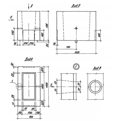
Ф 6

Чертеж изделия:
Характеристики изделия:
ПараметрЗначение
длина850 мм
ширина1500 мм
высота1100 мм
вес2000 кг
серия1.411.1-3

Ф 6 Подколонники (сборный элемент фундамента) по серии 1.411.1-3.