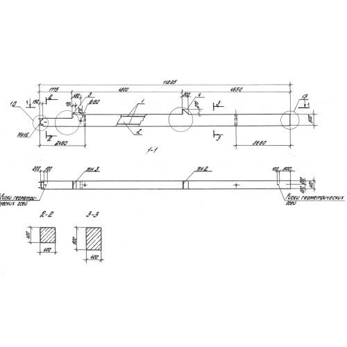
К 17 колонны

Чертеж изделия:
Характеристики изделия:
ПараметрЗначение
длина11225 мм
ширина600 мм
высота400 мм
масса6500 кг
нормативный документСерия 1.420-35.95

К 17  Колонны Серия 1.420-35.95.