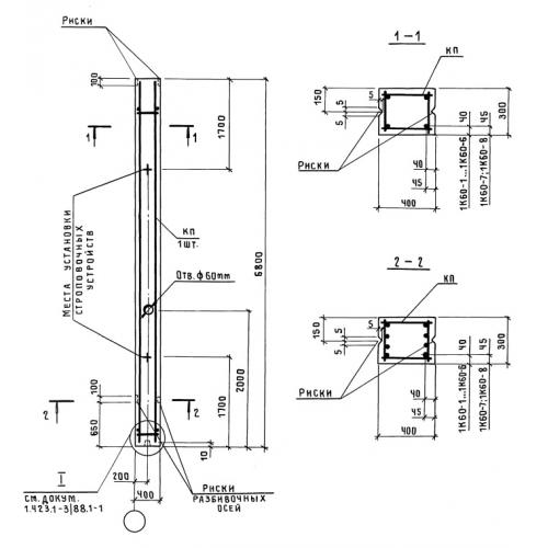
К 60 колонны

Чертеж изделия:
Характеристики изделия:
ПараметрЗначение
длина6800 мм
ширина300 мм
высота400 мм
масса2000 кг
нормативный документСерия 1.423-3

К 60  Колонны Серия 1.423-3.