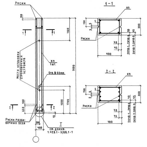
2К 48 колонны

Чертеж изделия:
Характеристики изделия:
ПараметрЗначение
длина5600 мм
ширина300 мм
высота400 мм
масса1700 кг
нормативный документСерия 1.423.1-3/88

2К 48 Колонны Серия 1.423.1-3/88.