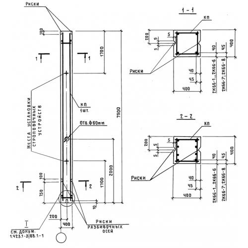
2К 66 колонны

Чертеж изделия:
Характеристики изделия:
ПараметрЗначение
длина7500 мм
ширина400 мм
высота400 мм
масса3000 кг
нормативный документСерия 1.423.1-3/88

2К 66 Колонны Серия 1.423.1-3/88.