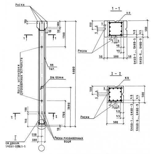
6К 60 колонны

Чертеж изделия:
Характеристики изделия:
ПараметрЗначение
длина6900 мм
ширина500 мм
высота500 мм
масса4325 кг
нормативный документСерия 1.423.1-3/88

6К 60 Колонны Серия 1.423.1-3/88.