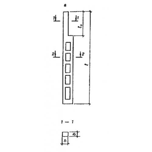
КДФ 180 Колонны двухветвевого сечения
Характеристики изделия:
| Параметр | Значение |
|---|---|
| длина | 19200 мм |
| ширина | 500 мм |
| высота | 1400 мм |
| масса | 14400 кг |
| нормативный документ | Серия 1.427.1-6 |
Цена:
Рассчитать стоимостьКДФ 180 Колонны двухветвевые фахверка Серия 1.427.1-6.
