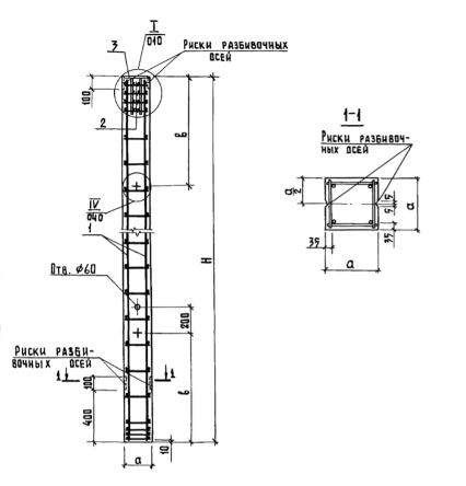
1К 60 колонны

Чертеж изделия:
Характеристики изделия:
ПараметрЗначение
длина6800 мм
ширина300 мм
высота300 мм
масса1525 кг
нормативный документСерия 1.823.1-2

1К 60  Колонны для крайнего ряда Серия 1.823.1-2.