ПСД 6.12.30

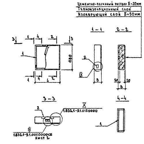
Чертеж изделия:
Характеристики изделия:
ПараметрЗначение
длина580 мм
ширина300 мм
высота1180 мм
вес400 кг
серия1.832.1-9

ПСД 6.12.30 Панели стеновые двухслойные по серии 1.832.1-9.