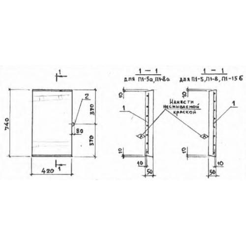
П 1

Чертеж изделия:
Характеристики изделия:
ПараметрЗначение
длина740 мм
ширина420 мм
высота50 мм
вес40 кг
серия3.006-2

П 1 Плиты перекрытия лотков по серии 3.006-2.