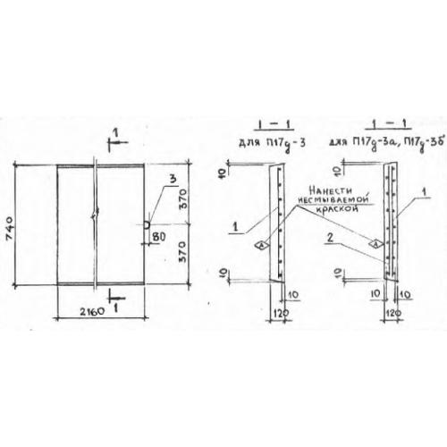
П 17д

Чертеж изделия:
Характеристики изделия:
ПараметрЗначение
длина740 мм
ширина2160 мм
высота120 мм
вес480 кг
серия3.006-2

П 17д Плиты перекрытия лотков доборные по серии 3.006-2.